CJY系列斜齒輪減速電機
您現在所在的位置:首頁 > CJY系列斜齒輪減速電機CJY系列斜齒輪減速電機
發布日期:2022-10-26

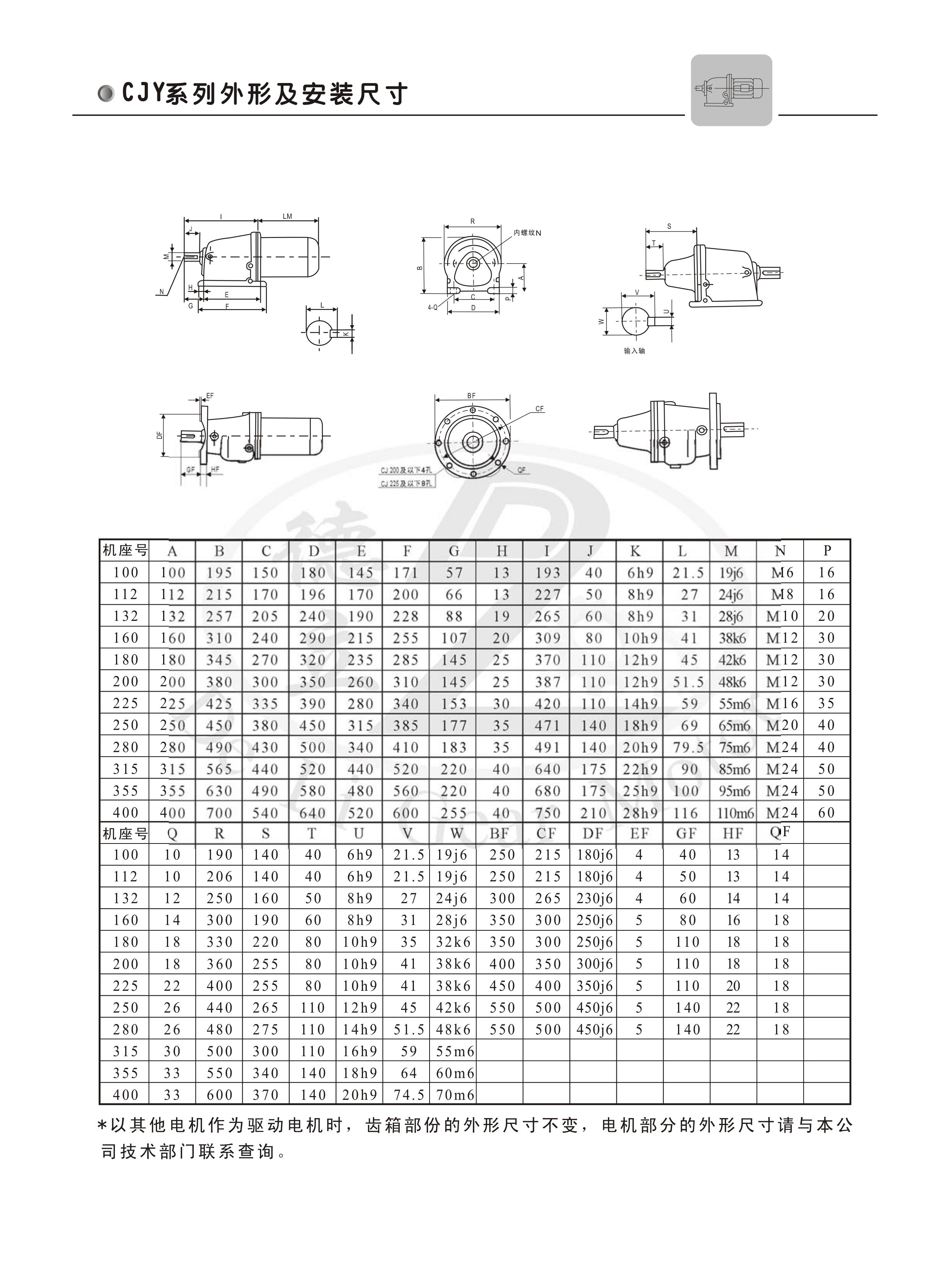
CJY齒輪減速三相異步電動機由齒輪箱與Y系列三相異步電動機耦合而成。具有設計先進、結構緊湊、運轉平穩、噪聲低、效率高、使用可靠、壽命長等特點。廣泛應用于建材、建筑、冶金、礦山、化工、輕工等行業的機械傳動。
CJY系列斜齒輪減速電機
CJY系列斜齒輪減速電機簡介:CJY系列斜齒輪減速電機產品符合ISO、IEC國際標準,設計先進、結構緊湊、體積小、使用方便、噪聲小、效率高、使用可靠、等等特點。使用該產品同時客戶可以根據自
己需要配套使用三相異步電動機、電磁制動三相異步電動機、輥道用電動機、變頻變壓調速電動機、直流電動機等各規格的電動機。
CJY系列斜齒輪減速電機使用范圍:應用于冶金、礦山、印刷等行業配套設備,也可用于備配套和維修。
CJY系列斜齒輪減速電機特點:
1、結合國際技術要求制造,具有很高科技含量
2、體積小、可靠耐用、承受過載能力高
3、振動小、重量輕、節能高、起動平穩
4、性能好、能耗低
5、使用優質鍛鋼材料,鋼性鑄鐵箱體,齒輪表面經過高頻熱處理;
6、經過精密加工,確保軸平行度和定位軸承要求






浙公網安備 33060402001457號 備案號: